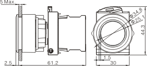
? 安裝直徑:φ30mm
? 頭部形狀:超薄頭部(高2.5mm)
? 觸點結構:1NO1NC/1NO/1NC(零件號說明中的其他選項)
? 操作類型:自復/自鎖
? 顏色:紅/綠/藍/黃/白
? 帶燈電壓:交直流6V/12V/24V/110V/220V
? 認證:CCC、CE
如果您有定制需求,請聯系ONPOW!
重要參數
1.開關額定值:Ui:660V,Ith:10A
2.機械壽命:≥1,000,000 次循環(huán)
3.電氣壽命:≥50,000 次循環(huán)
4.接觸電阻:≤50mΩ
5.絕緣電阻:≥100MΩ(500VDC)
6.最高耐壓:3,000V,交流50Hz,1分鐘
7.工作溫度:-25℃~55℃(無冰凍)
8.操作壓力:約6.5N(1NO1NC),約11.5N(2NO2NC)
9.操作行程:約5.5毫米(按鈕)
10.前面板防護等級:IP40(IP65可定制)

材料:
1.觸點材質:銀合金
2.頭部: 鋁合金+PC
3.殼體:PA
4.底座:PA